OFDT_1
D Flip-Flop with Active-Low 3-State Output Buffer and Inverted Clock
XC3000
| XC4000E
| XC4000X
| XC5200
| XC9000
| Spartan
| SpartanXL
| Virtex
|
Macro
| Macro
| Macro
| Macro
| N/A
| Macro
| Macro
| Macro
|

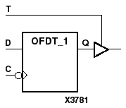
OFDT_1 and its output buffer are located in an input/output block (IOB). The flip-flop data output (Q) is connected to the input of an output buffer (OBUFT). The OBUFT output is connected to an OPAD or an IOPAD. The data on the data input (D) is loaded into the flip-flop on the High-to-Low clock (C) transition. When the active-Low enable input (T) is Low, the data on the flip-flop output (Q) appears on the O output. When T is High, the output is high impedance (Off).
The flip-flop is asynchronously cleared with Low output when power is applied. FPGAs simulate power-on when global reset (GR) or global set/reset (GSR) is active. GR for XC3000 is active-Low. GR for XC5200 and GSR (XC4000, Spartans, Virtex) default to active-High but can be inverted by adding an inverter in front of the GR/GSR input of the STARTUP or STARTUP_VIRTEX symbol.
Inputs
| Outputs
|
T
| D
| C
| O
|
1
| X
| X
| Z
|
0
| 1
| 
| 1
|
0
| 0
| 
| 0
|
