| XC3000 | XC4000E | XC4000X | XC5200 | XC9000 | Spartan | SpartanXL | Virtex |
|---|---|---|---|---|---|---|---|
| N/A | Macro | Macro | N/A | N/A | Macro | Macro | N/A |

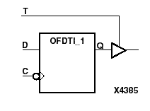
OFDTI_1 and its output buffer are contained in an input/output block (IOB). The data output of the flip-flop (Q) is connected to the input of an output buffer (OBUFT). The OBUFT output is connected to an OPAD or an IOPAD. The data on the data input (D) is loaded into the flip-flop on the High-to-Low clock (C) transition. When the active-Low enable input (T) is Low, the data on the flip-flop output (Q) appears on the O output. When T is High, the output is high impedance (off).
The flip-flop is asynchronously preset, output High, when power is applied. FPGAs simulate power-on when global set/reset (GSR) is active. GSR (XC4000, Spartans) default to active-High but can be inverted by adding an inverter in front of the GSR input of the STARTUP symbol.
| Inputs | Outputs | ||
|---|---|---|---|
| T | D | C | O |
| 1 | X | X | Z |
| 0 | 1 | 1 | |
| 0 | 0 | 0 | |
Figure 8.36 OFDTI_1 Implementation XC4000, Spartans |