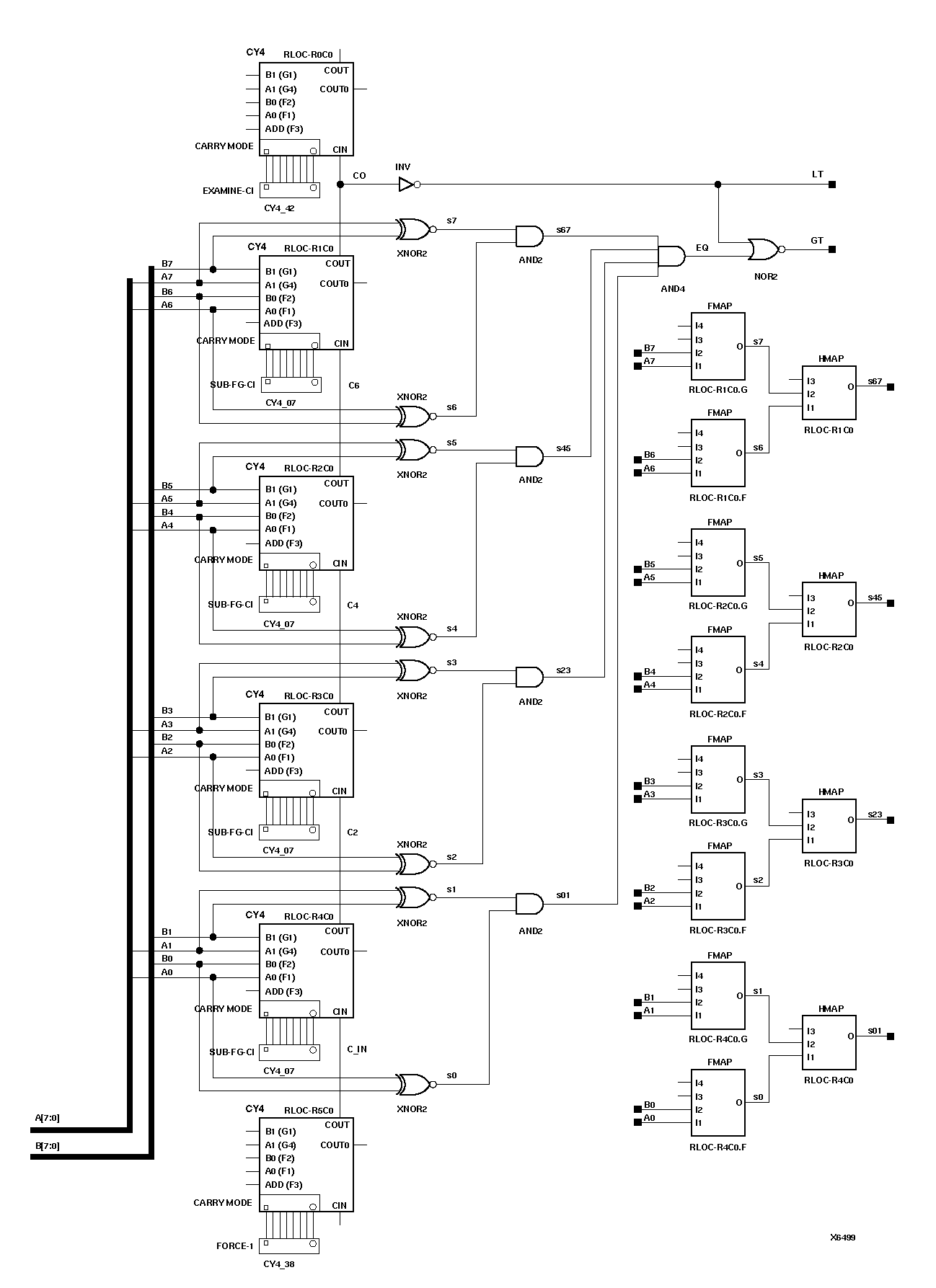
Figure 4.46 COMPMC8 Implementation XC4000, Spartans

COMPMC8 Implementation XC4000, Spartans figures/x6499n.gif