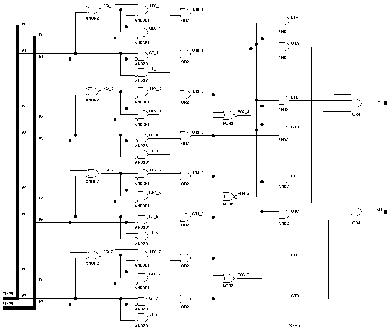
Figure 4.44 COMPM8 Implementation XC3000, XC4000, XC5200, Spartans, Virtex

COMPM8 Implementation XC3000, XC4000, XC5200, Spartans, Virtex figures/x7793.gif