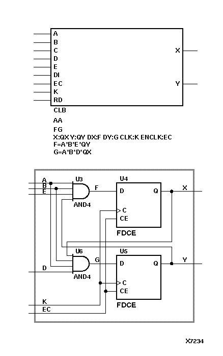
Figure 4.41 XC3000 CLB Primitive Example and Equivalent Circuit

XC3000 CLB Primitive Example and Equivalent Circuit figures/x7234n.gif