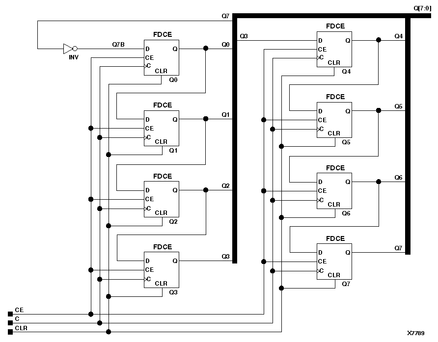
Figure 4.39 CJ8CE Implementation XC3000, XC4000, XC5200, XC9000, Spartans, Virtex

CJ8CE Implementation XC3000, XC4000, XC5200, XC9000, Spartans, Virtex figures/x7789.gif