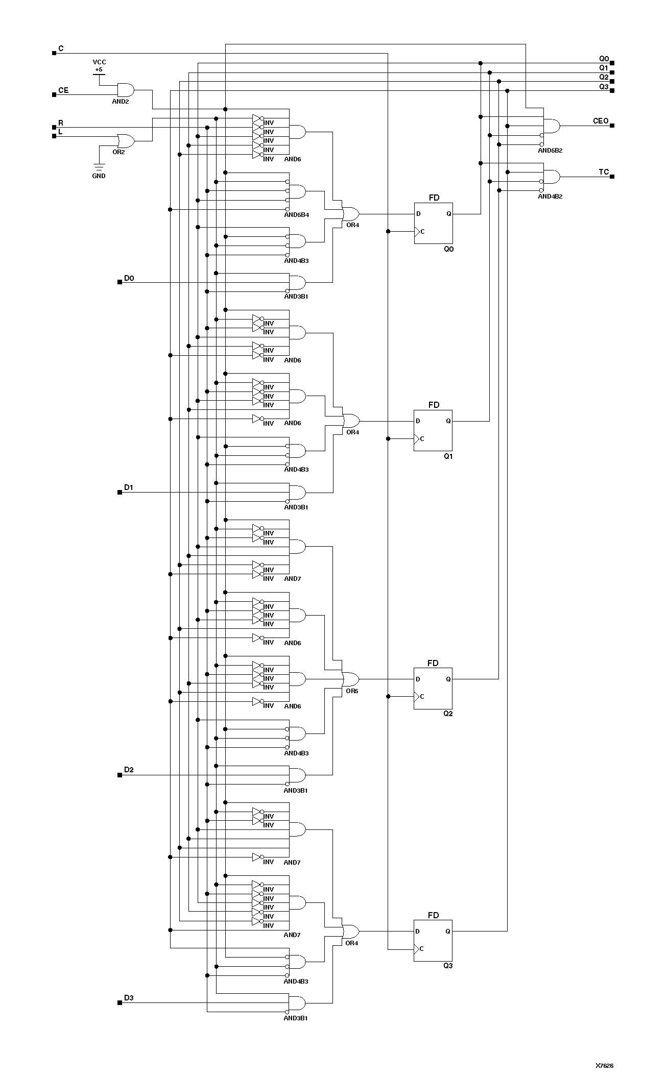
Figure 4.38 CD4RLE Implementation XC9000

CD4RLE Implementation XC9000 figures/x7626.gif