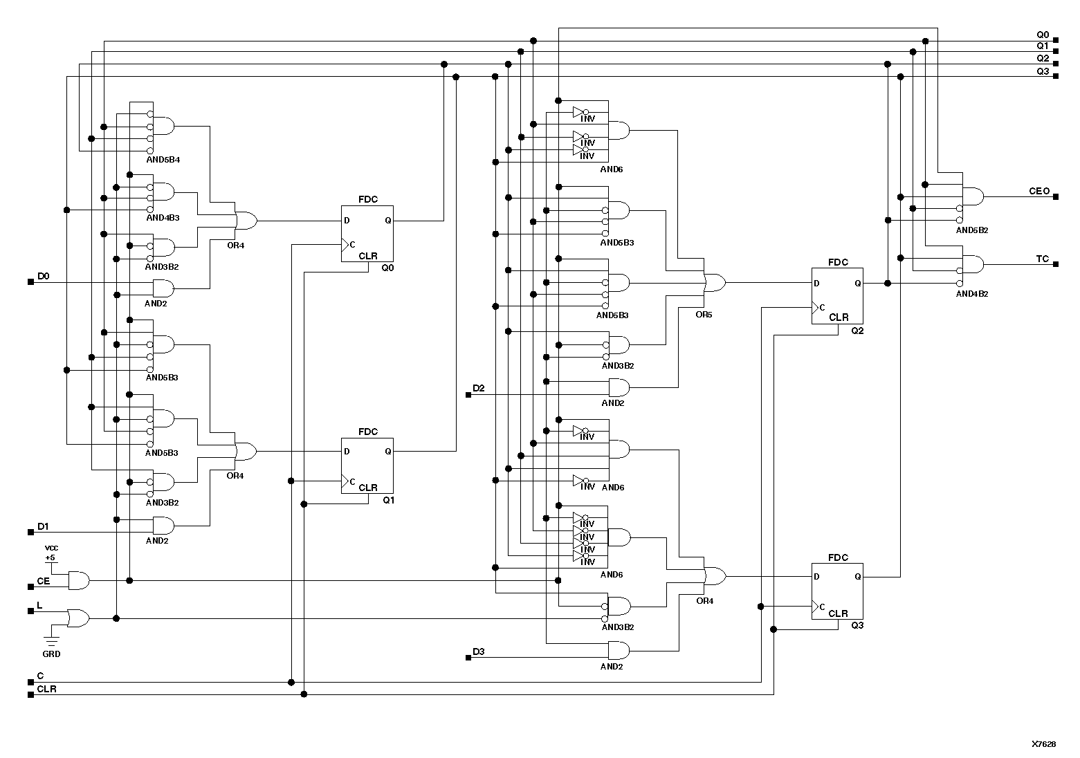
Figure 4.34 CD4CLE Implementation XC9000

CD4CLE Implementation XC9000 figures/x7628.gif