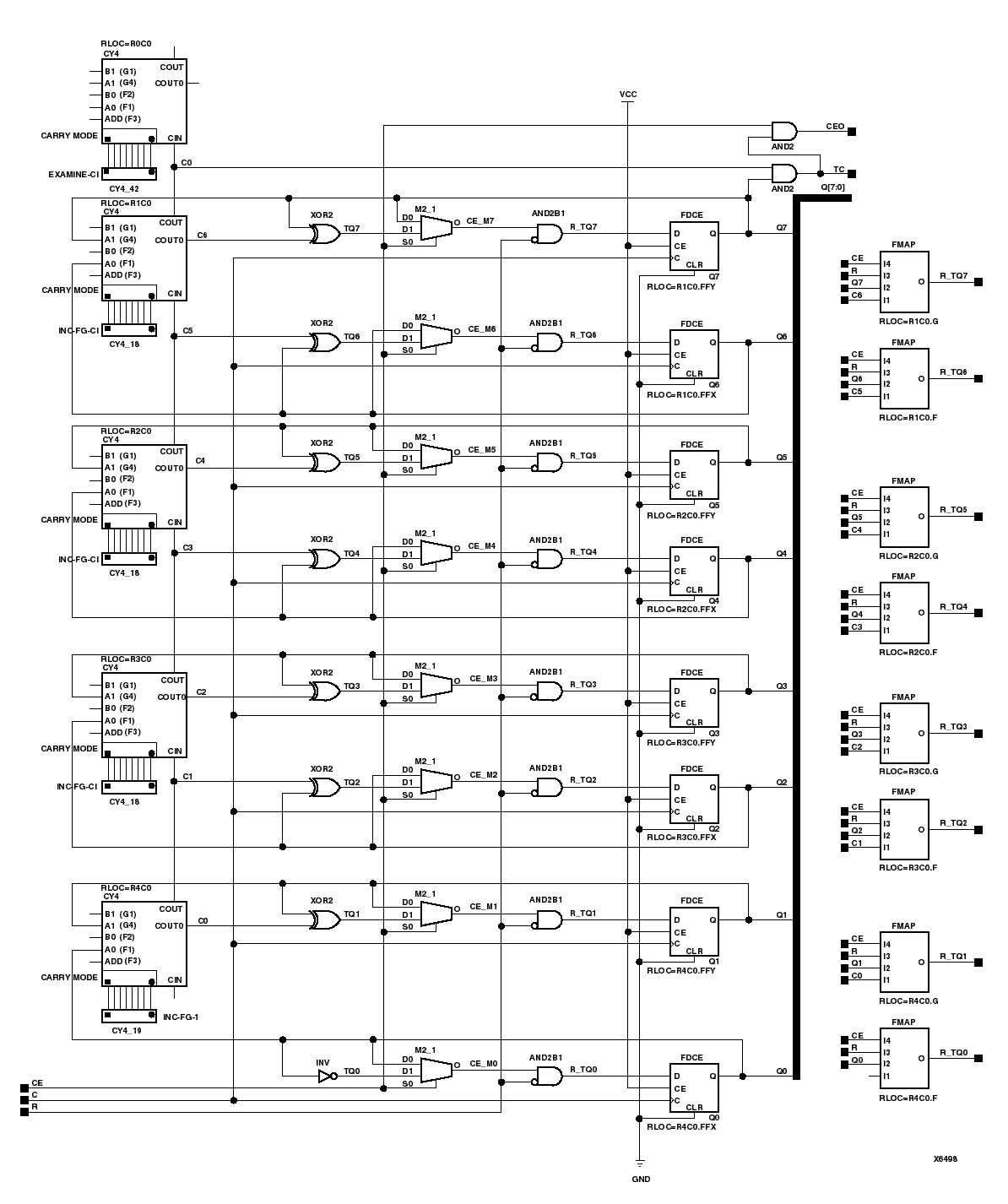
Figure 4.27 CC8RE Implementation XC4000, Spartans

CC8RE Implementation XC4000, Spartans figures/x6498n.gif