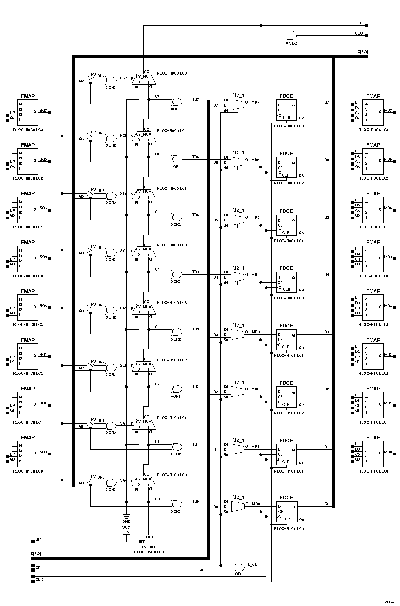
Figure 4.25 CC8CLED Implementation XC5200

CC8CLED Implementation XC5200 figures/x8042.gif