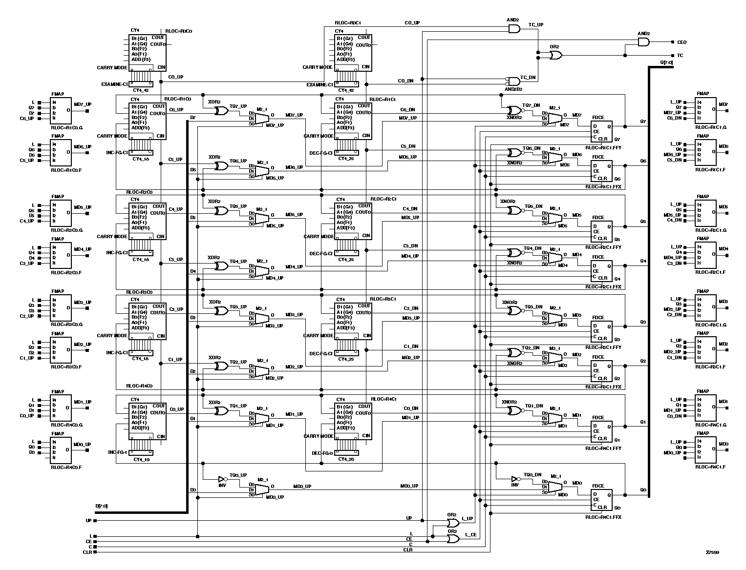
Figure 4.24 CC8CLED Implementation XC4000, Spartans

CC8CLED Implementation XC4000, Spartans figures/x7599.gif