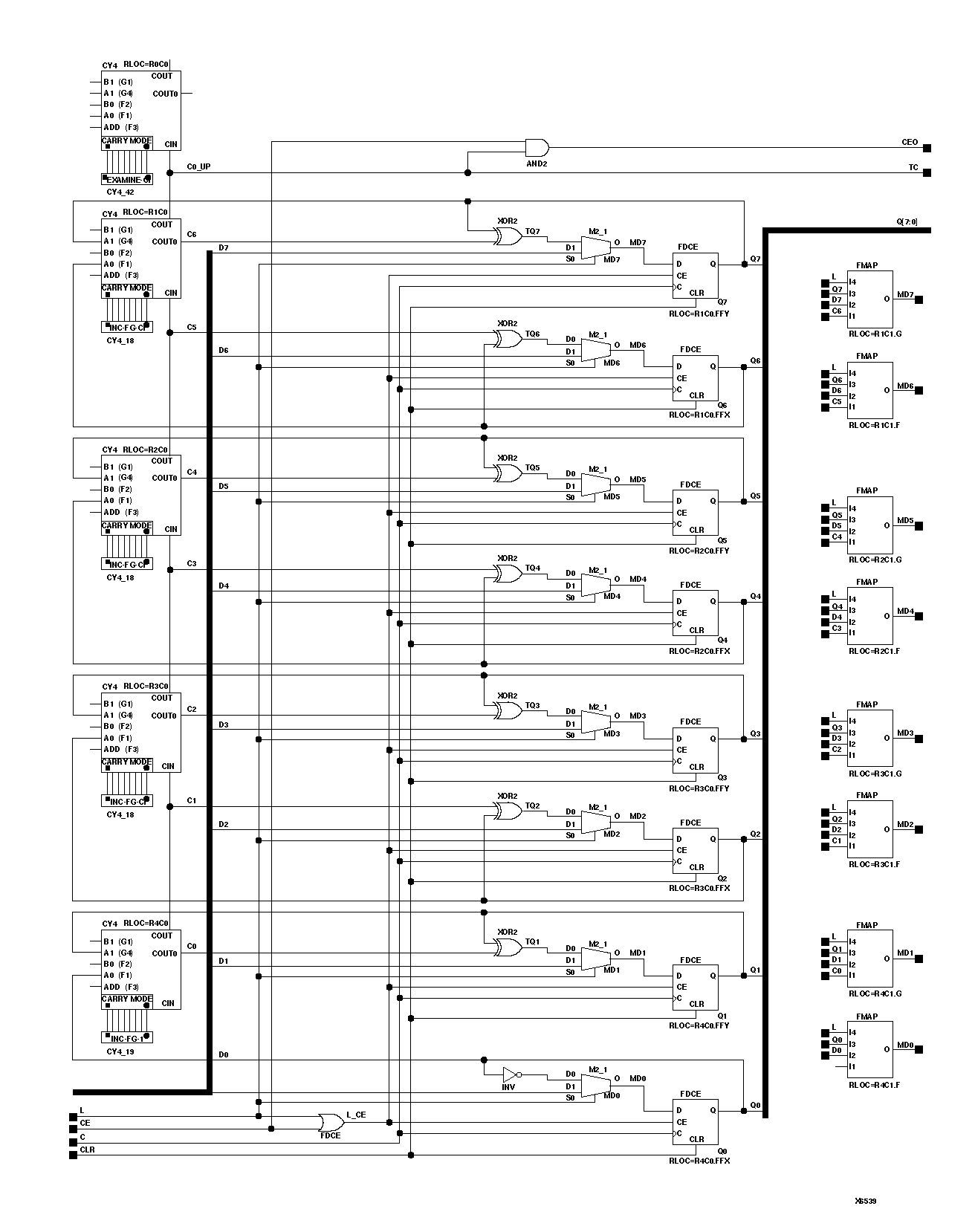
Figure 4.21 CC8CLE Implementation XC4000, Spartans

CC8CLE Implementation XC4000, Spartans figures/x6539n.gif