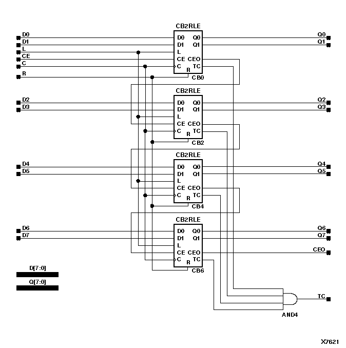
Figure 4.15 CB8RLE Implementation XC9000

CB8RLE Implementation XC9000 figures/x7621.gif