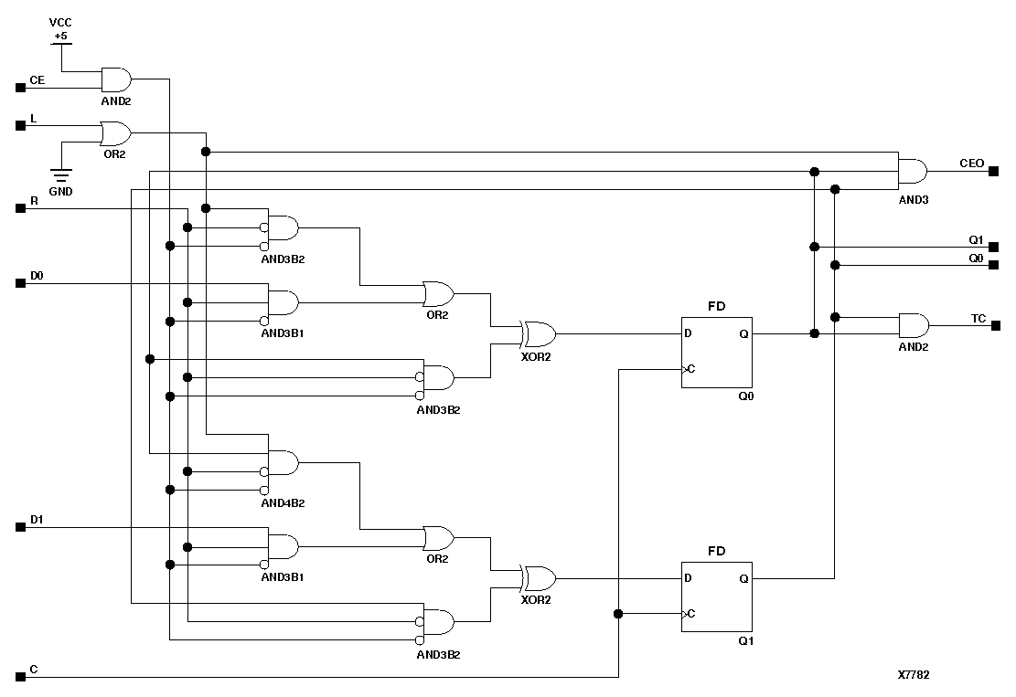
Figure 4.14 CB2RLE Implementation XC9000

CB2RLE Implementation XC9000 figures/x7782.gif