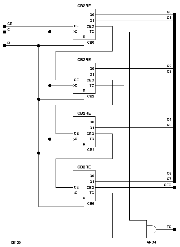
Figure 4.13 CB8RE Implementation XC9000

CB8RE Implementation XC9000 figures/x8129.gif