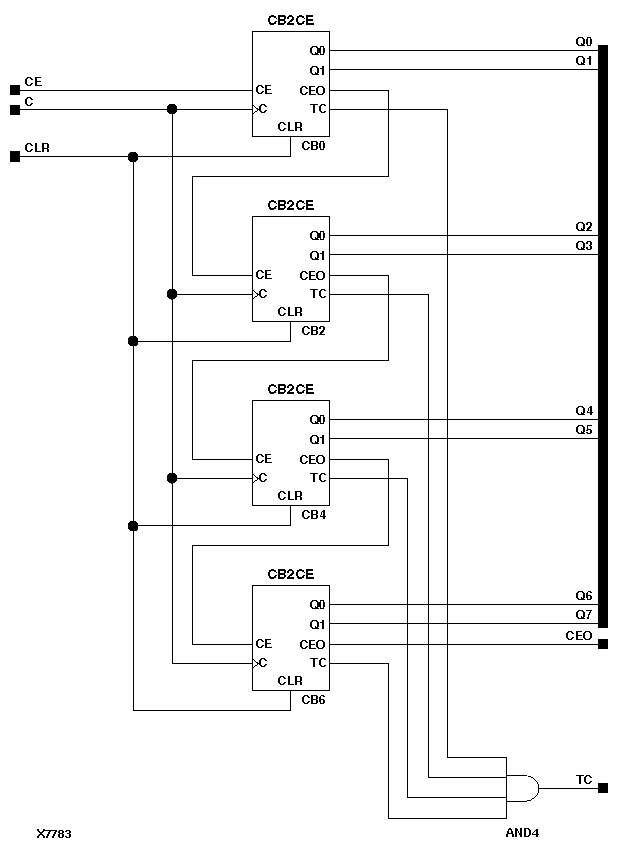
Figure 4.3 CB8CE Implementation XC9000

CB8CE Implementation XC9000 figures/x7783.gif