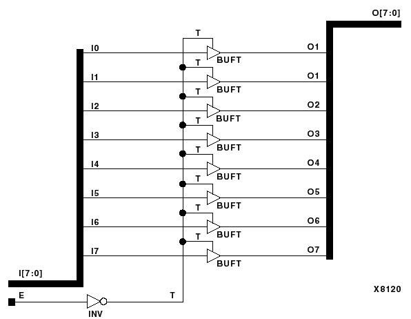
Figure 3.36 BUFE8 Implementation XC3000, XC4000, XC5200, Spartans

BUFE8 Implementation XC3000, XC4000, XC5200, Spartans figures/x8120.gif