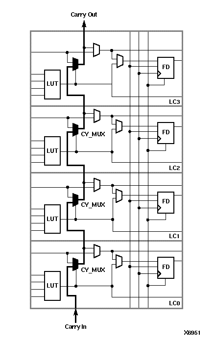
Figure 12.20 XC5200 Carry Logic

XC5200 Carry Logic figures/x6951n.gif