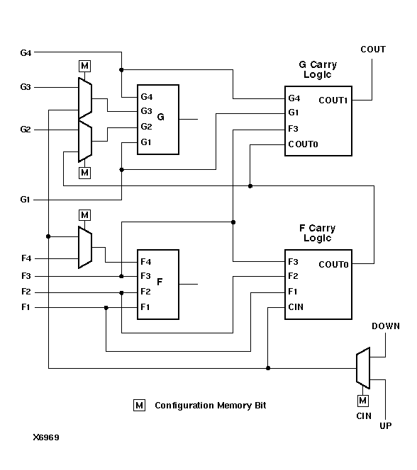
Figure 12.18 XC4000 and Spartans Carry Logic

XC4000 and Spartans Carry Logic figures/x6969n.gif