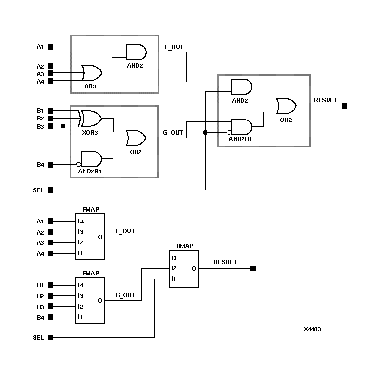
Figure 12.2 FMAP and HMAP Schematics

FMAP and HMAP Schematics figures/x4403n.gif