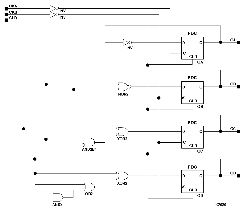
Figure 11.43 X74_390 Implementation XC9000

X74_390 Implementation XC9000 figures/x7920.gif