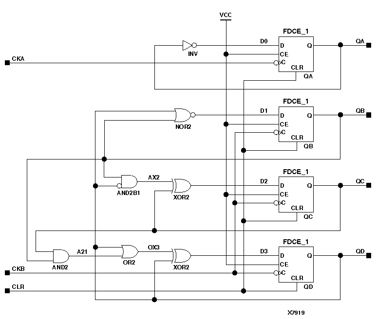
Figure 11.42 X74_390 Implementation XC3000, XC4000, XC5200, Spartans

X74_390 Implementation XC3000, XC4000, XC5200, Spartans figures/x7919.gif