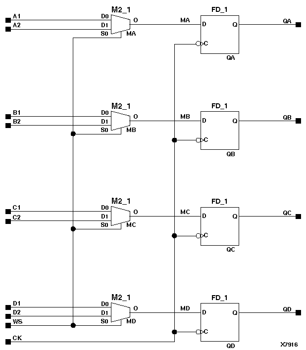
Figure 11.38 X74_298 Implementation XC3000, XC4000, XC5200, Spartans

X74_298 Implementation XC3000, XC4000, XC5200, Spartans figures/x7916.gif