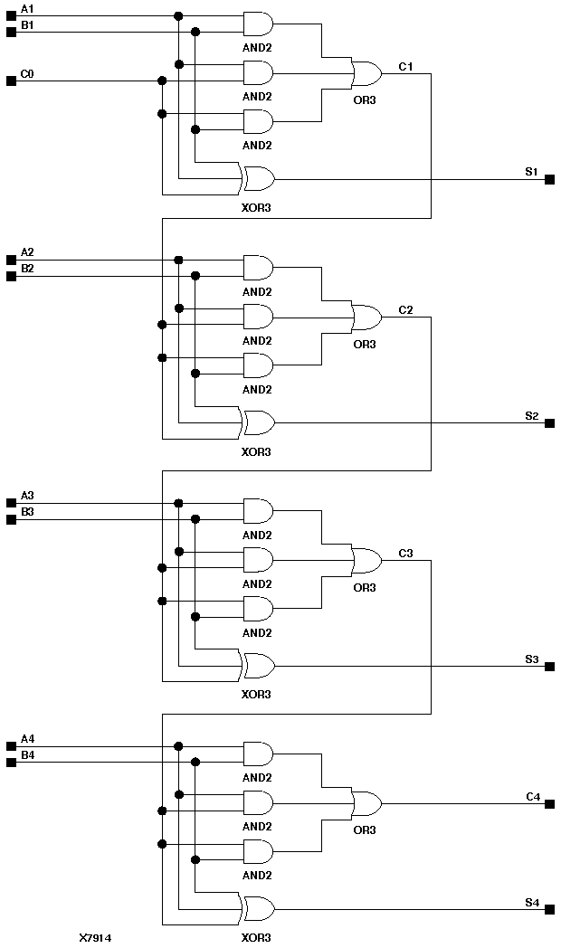
Figure 11.36 X74_283 Implementation XC3000, XC4000, XC5200, Spartans

X74_283 Implementation XC3000, XC4000, XC5200, Spartans figures/x7914.gif