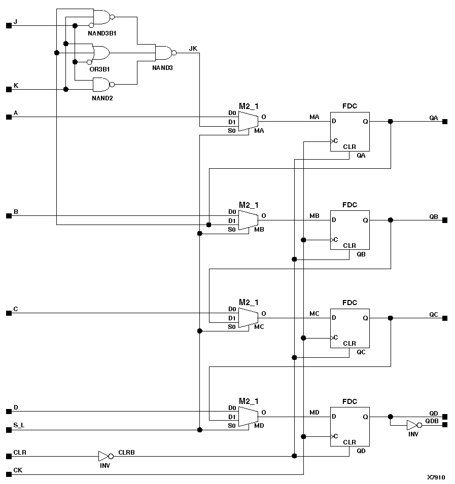
Figure 11.32 X74_195 Implementation XC3000, XC4000, XC5200, XC9000, Spartans

X74_195 Implementation XC3000, XC4000, XC5200, XC9000, Spartans figures/x7910.gif