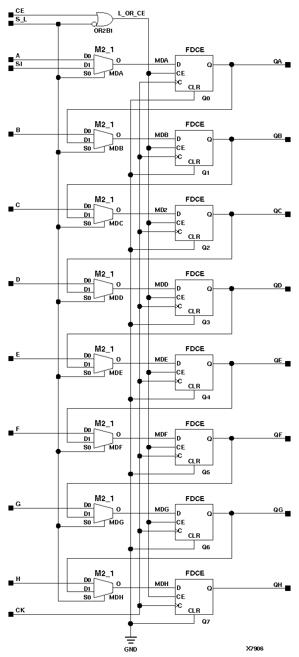
Figure 11.26 X74_165S Implementation XC3000, XC4000, XC5200, XC9000, Spartans

X74_165S Implementation XC3000, XC4000, XC5200, XC9000, Spartans figures/x7906.gif