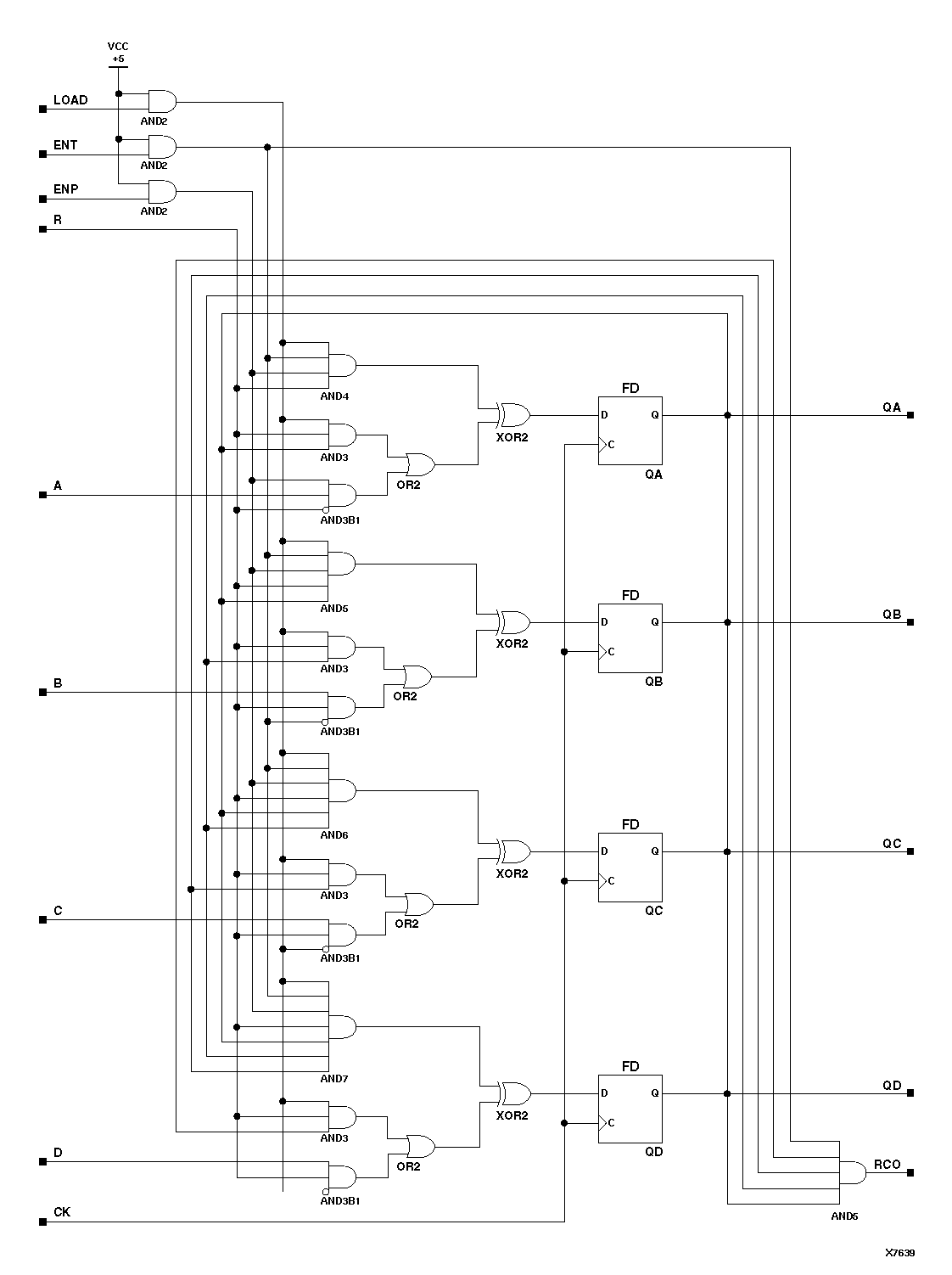
Figure 11.24 X74_163 Implementation XC9000

X74_163 Implementation XC9000 figures/x7639.gif