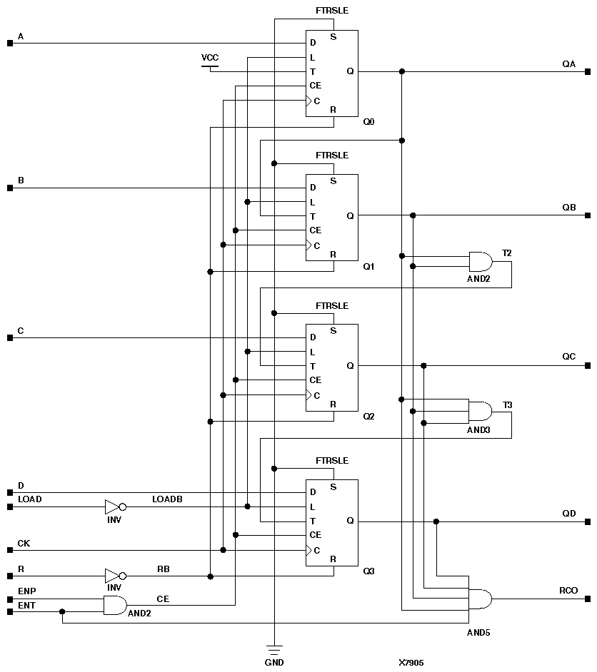
Figure 11.23 X74_163 Implementation XC3000, XC4000, XC5200, Spartans

X74_163 Implementation XC3000, XC4000, XC5200, Spartans figures/x7905.gif