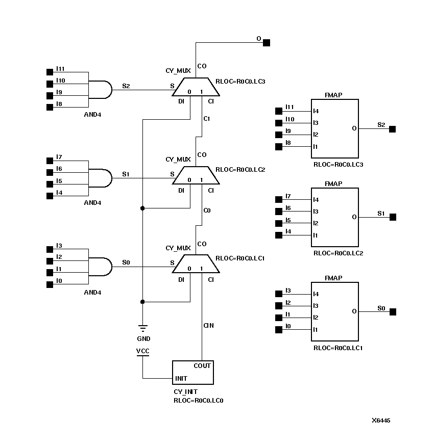
Figure 3.29 AND12 Implementation XC5200

AND12 Implementation XC5200 figures/x6445n.gif