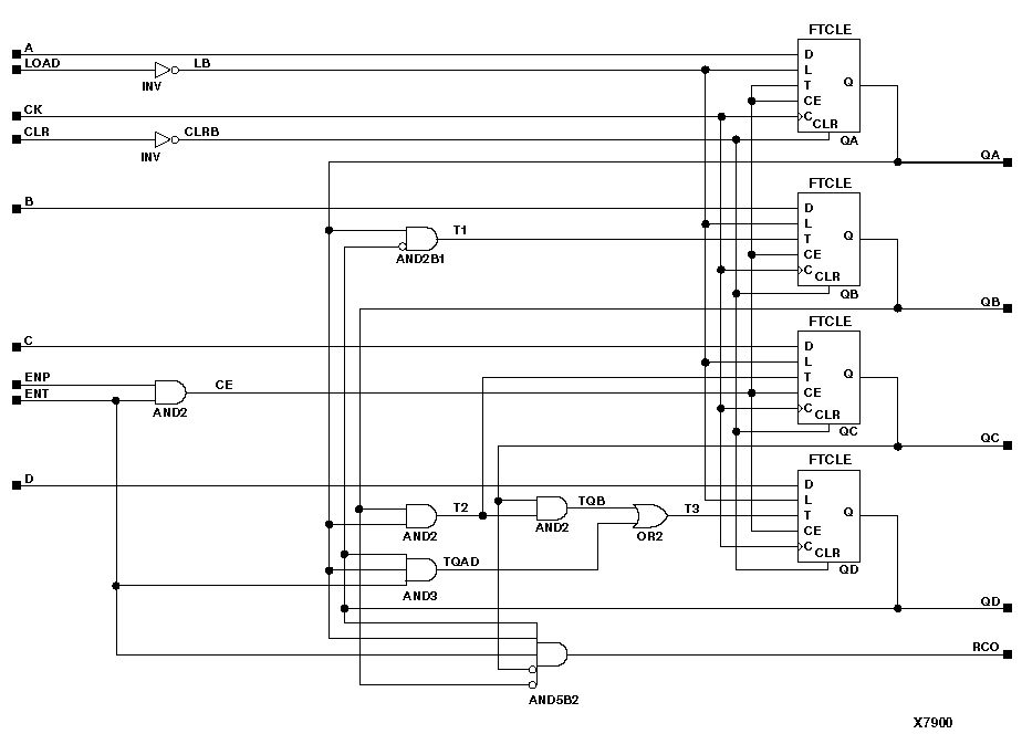
Figure 11.16 X74_160 Implementation XC3000

X74_160 Implementation XC3000 figures/x7900.gif