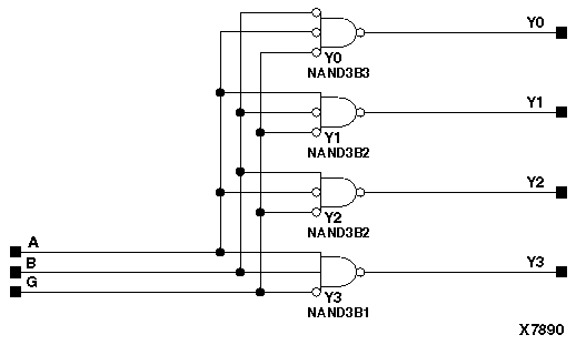
Figure 11.5 X74_139 Implementation XC3000, XC4000, XC5200, XC9000, Spartans

X74_139 Implementation XC3000, XC4000, XC5200, XC9000, Spartans figures/x7890.gif