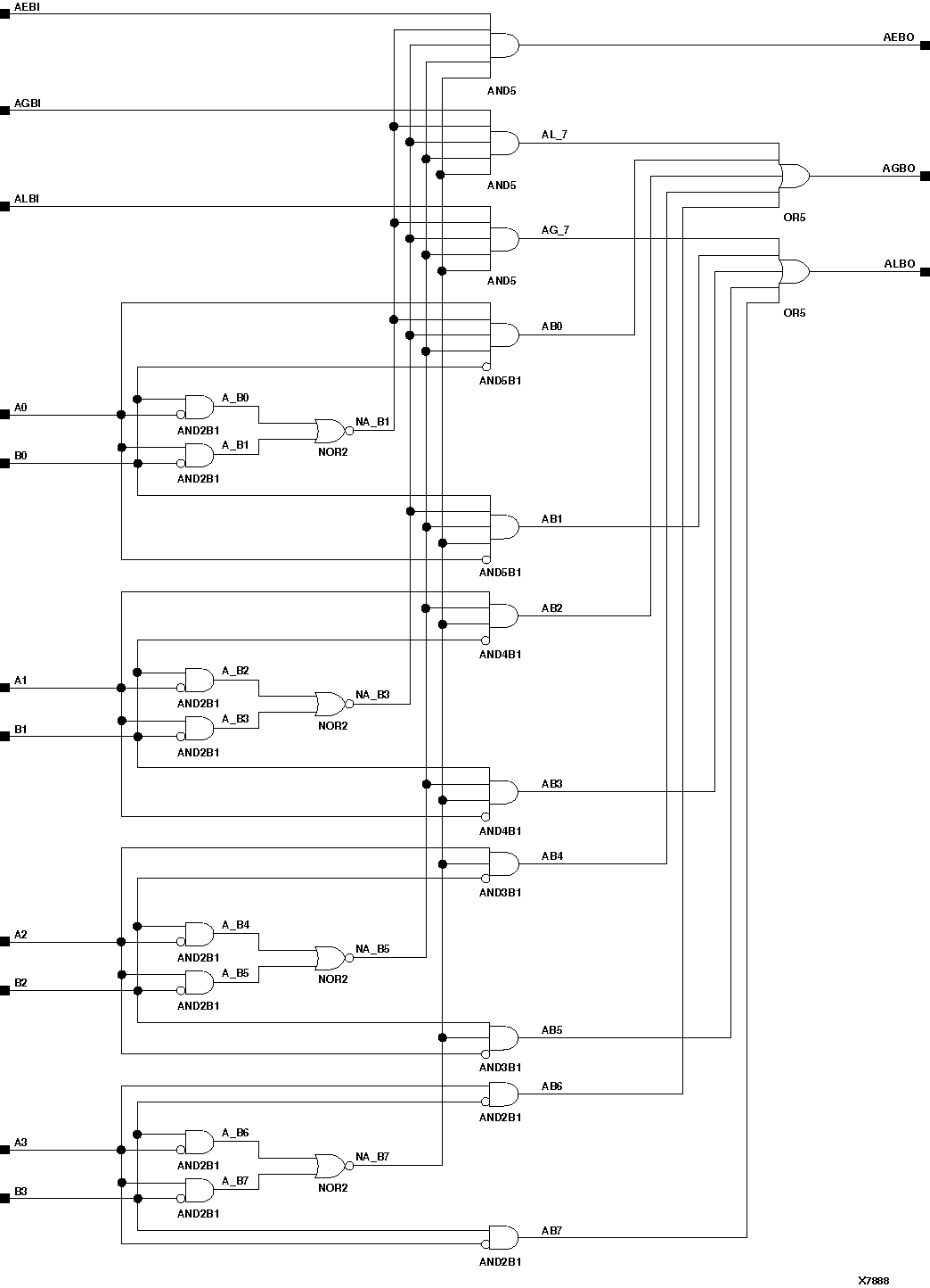
Figure 11.2 X74_L85 Implementation XC3000, XC4000, XC5200, Spartans

X74_L85 Implementation XC3000, XC4000, XC5200, Spartans figures/x7888.gif