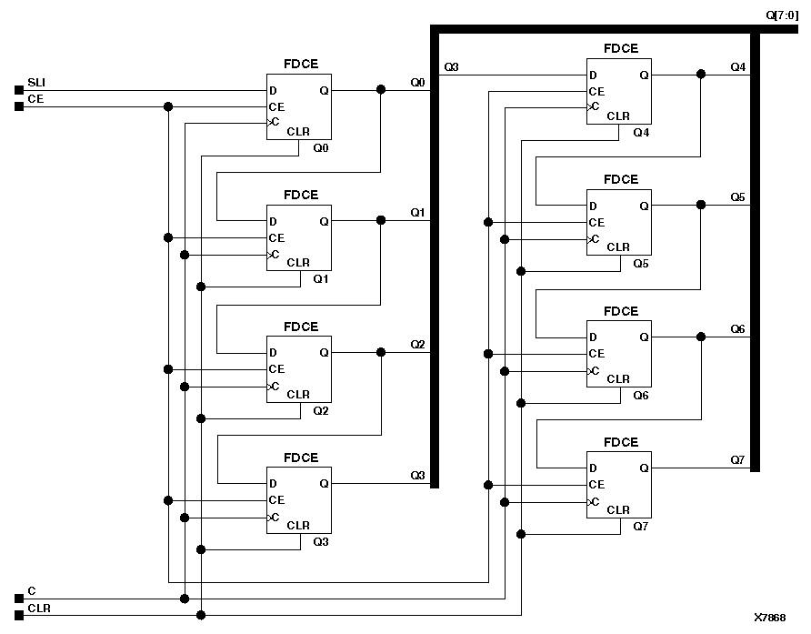
Figure 10.4 SR8CE Implementation XC3000, XC4000, XC5200, XC9000, Spartans, Virtex

SR8CE Implementation XC3000, XC4000, XC5200, XC9000, Spartans, Virtex figures/x7868.gif