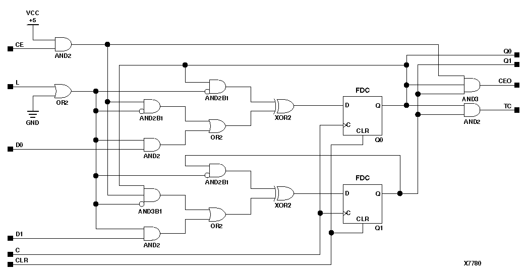
Figure 9.7 RAM32X8S Implementation XC4000, Spartans, Virtex

RAM32X8S Implementation XC4000, Spartans, Virtex figures/x6417n.gif