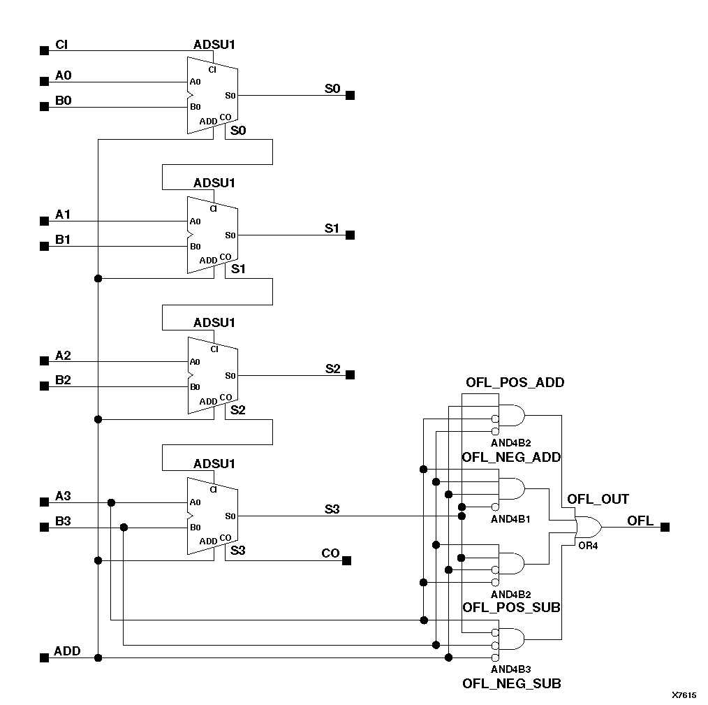
Figure 3.21 ADSU4 Implementation XC9000

ADSU4 Implementation XC9000 figures/x7615.gif