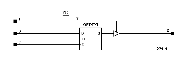
Figure 8.35 OFDTI Implementation XC4000, Spartans

OFDTI Implementation XC4000, Spartans figures/x7414n.gif