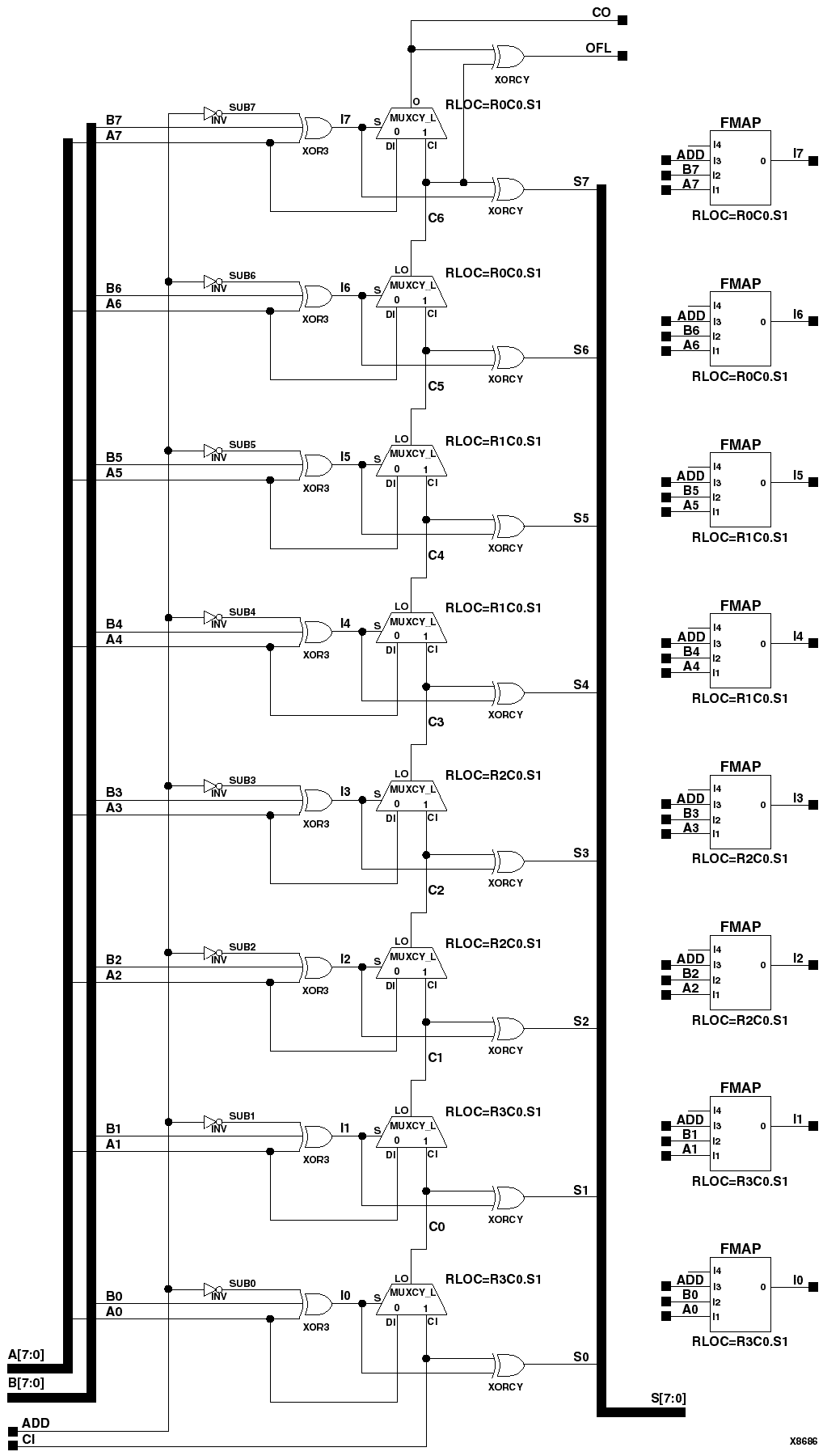
Figure 3.20 ADSU8 Implementation Virtex

ADSU8 Implementation Virtex figures/x8686.gif