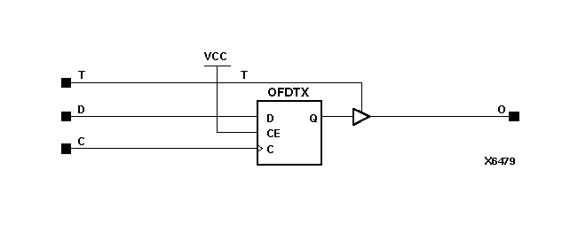
Figure 8.29 OFDT Implementation XC4000, Spartans

OFDT Implementation XC4000, Spartans figures/x6479n.gif