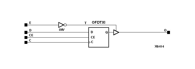
Figure 8.23 OFDEXI Implementation XC4000, Spartans

OFDEXI Implementation XC4000, Spartans figures/x6414n.gif