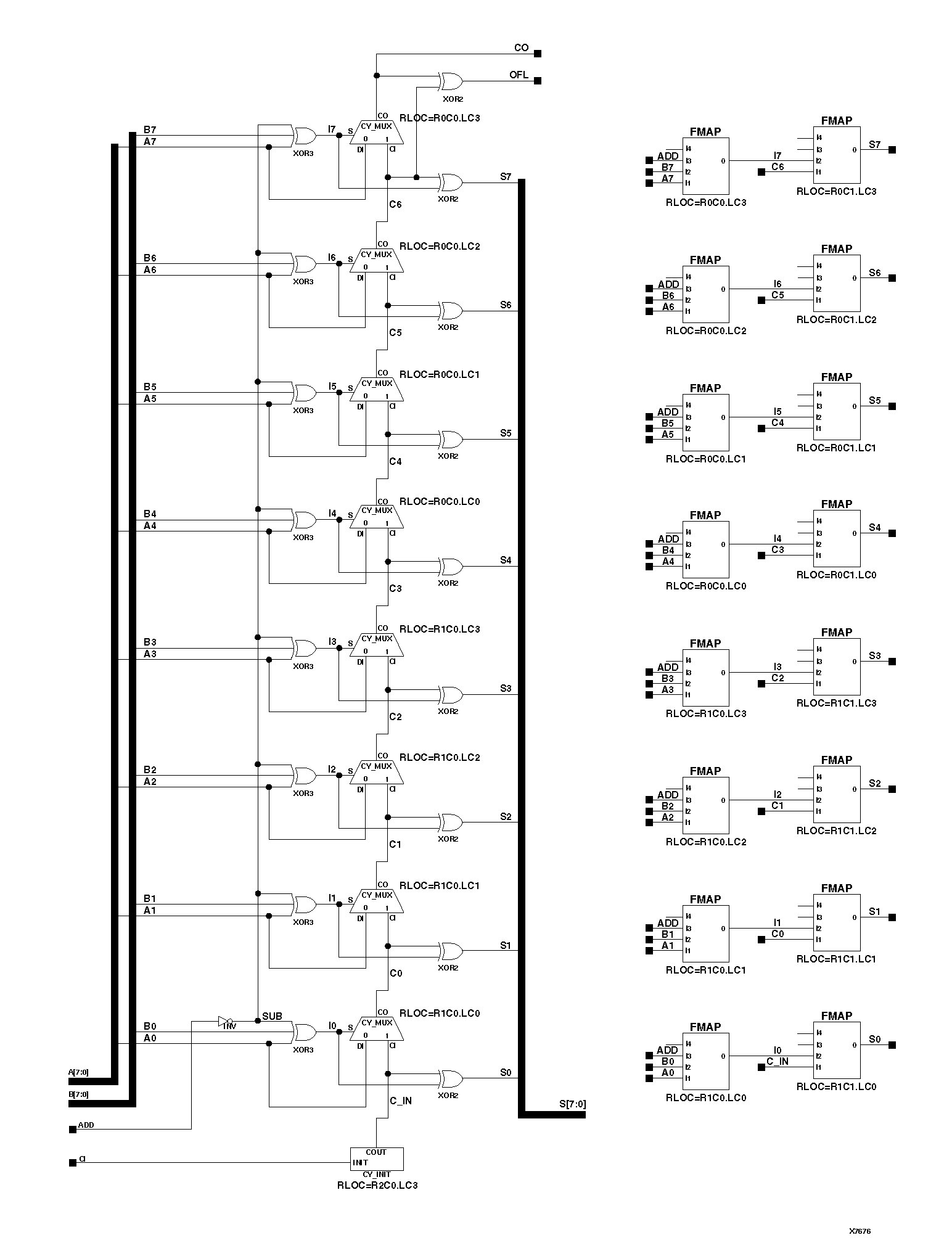
Figure 3.19 ADSU8 Implementation XC5200

ADSU8 Implementation XC5200 figures/x7676.gif