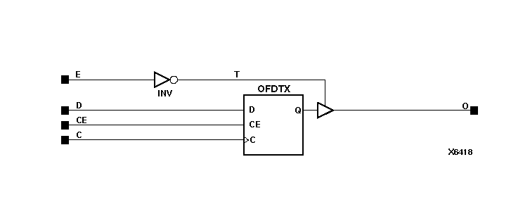
Figure 8.20 OFDEX Implementation XC4000, Spartans

OFDEX Implementation XC4000, Spartans figures/x6418n.gif