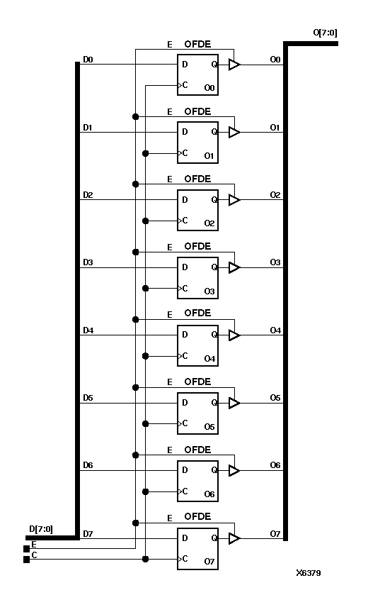
Figure 8.15 OFDE8 Implementation XC3000, XC4000, XC5200, XC9000, Spartans, Virtex

OFDE8 Implementation XC3000, XC4000, XC5200, XC9000, Spartans, Virtex figures/x6379n.gif