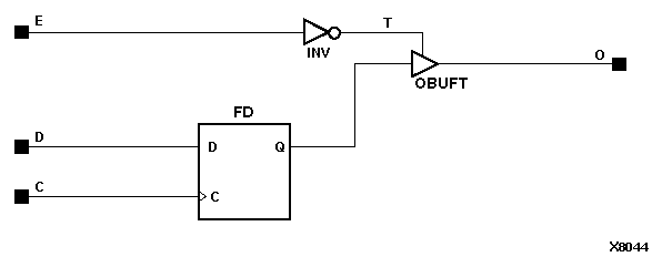
Figure 8.14 OFDE Implementation XC9000

OFDE Implementation XC9000 figures/x8044.gif