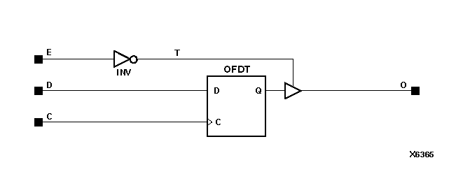
Figure 8.12 OFDE Implementation XC3000, XC4000, Spartans

OFDE Implementation XC3000, XC4000, Spartans figures/x6365n.gif