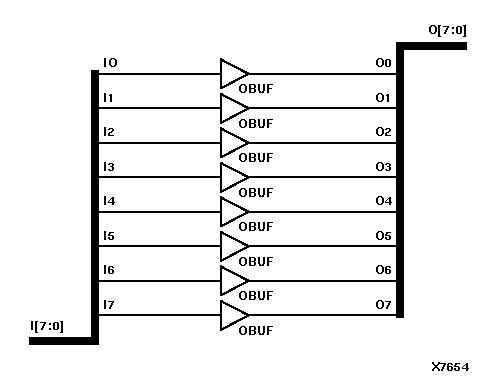
Figure 8.1 OBUF8 Implementation XC3000, XC4000, XC5200, XC9000, Spartans, Virtex

OBUF8 Implementation XC3000, XC4000, XC5200, XC9000, Spartans, Virtex figures/x7654.gif