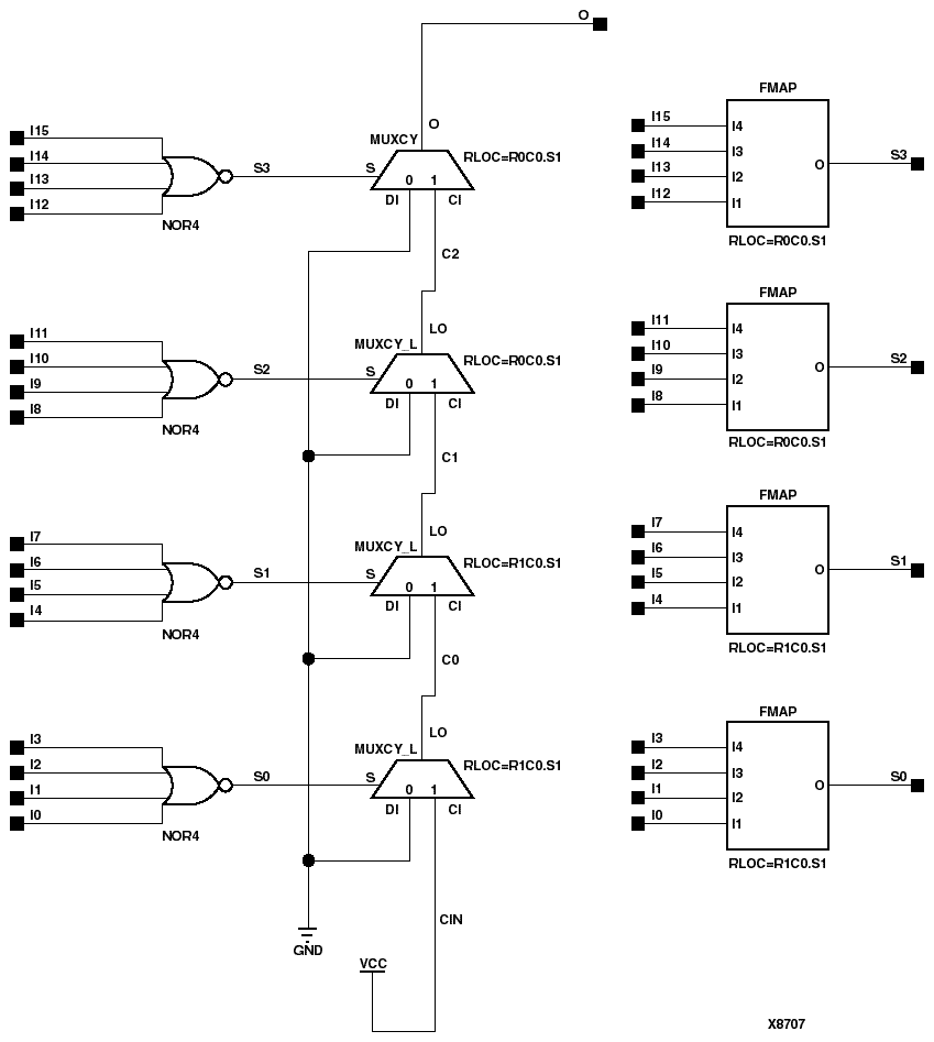
Figure 7.42 NOR16 Implementation Virtex

NOR16 Implementation Virtex figures/x8707.gif