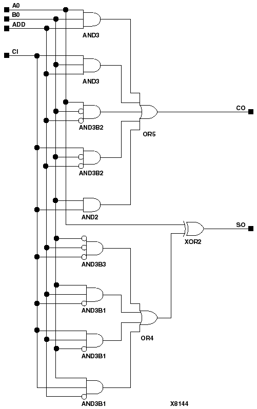
Figure 3.15 ADSU1 Implementation XC9000

ADSU1 Implementation XC9000 figures/x8144.gif