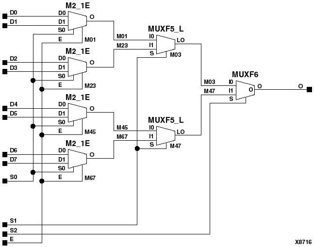
Figure 7.23 M8_1E Implementation Virtex

M8_1E Implementation Virtex figures/x8716.gif