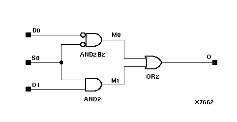
Figure 7.17 M2_1B1 Implementation XC3000, XC4000, XC5200, XC9000, Spartans, Virtex

M2_1B1 Implementation XC3000, XC4000, XC5200, XC9000, Spartans, Virtex figures/x7662.gif