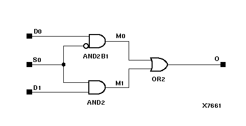
Figure 7.16 M2_1 Implementation XC3000, XC4000, XC5200, XC9000, Spartans, Virtex

M2_1 Implementation XC3000, XC4000, XC5200, XC9000, Spartans, Virtex figures/x7661.gif